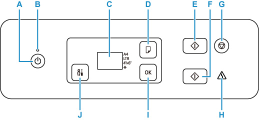
แผงการทำงาน

- A: ปุ่ม พลังงาน(ON)
-
สำหรับเปิดหรือปิดเครื่อง ก่อนที่จะเปิดเครื่อง ให้ตรวจสอบว่าฝาครอบเอกสารปิดอยู่
- B: สัญญาณไฟ พลังงาน(ON)
- ไฟจะกะพริบและติดสว่างเมื่อทำการเปิดเครื่อง
- C: LCD (จอภาพผลึกเหลว)
-
แสดงจำนวนชุด หมายเลขการตั้งค่า รหัสข้อผิดพลาด หรือไอคอนต่างๆ
- D: ปุ่ม เลือกกระดาษ(Paper Select)
- เลือกขนาดกระดาษของเครื่องพิมพ์
- E: ปุ่ม สีดำ(Black)
- เริ่มการทำสำเนาขาวดำ ฯลฯ
- F: ปุ่ม สี(Color)
- เริ่มการทำสำเนาสี ฯลฯ
- G: ปุ่ม หยุด(Stop)
- ยกเลิกการดำเนินการเมื่องานพิมพ์หรือการทำสำเนาอยู่ระหว่างดำเนินการ
- H: สัญญาณไฟ เตือน(Alarm)
- สัญญาณไฟจะติดสว่างหรือกะพริบเมื่อเกิดข้อผิดพลาด
- I: ปุ่ม OK
- ทำให้การเลือกรายการเสร็จสมบูรณ์ นอกจากนี้ยังใช้เพื่อแก้ไขข้อผิดพลาด
- J: ปุ่ม ตั้งค่า(Setup)
- เลือกเมนูเพื่อทำการบำรุงรักษาเครื่องพิมพ์และเปลี่ยนการตั้งค่าเครื่องพิมพ์

